Description
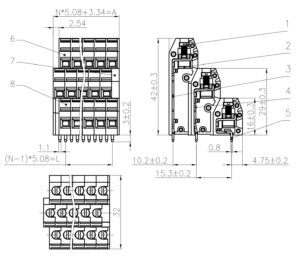
PCB universal screw terminal blocks, this typical feature of the screw connection system is characterized by the easy connection and extremely high contact strengths. Provide the wire size from 0.08mm² to 35mm², Available with different pitches from 2.54mm to 15.0mm. Plug-in terminal blocks, provide the wire size from 0.08mm² to 16mm², Available with different pitches from 2.5mm to 10.16mm, Choosing insert direction, contact direction, Plug-in direction according to requests. PCB Spring terminal blocks, available with two connection methods cage clamp contact and dish clamp contact. Provide the wire size from 0.08mm² to 16mm², Available with different pitches from 2.5mm to 10.16mm. It can be used instead of printed circuit universal screw terminal blocks, more flexible. Use high-elastic stel melting with perfect metallic bending technology, thus the spring clamp can held tightly without loosen. The features of the design can match with all kinds of accessories, anti-vibration, free maintenance and high reliability. The design can match with all kinds of accessories. We offer coding to prevent from mistaken wiring. The strain relief design makes the plug be secured in the socket without coming apart from the socket by accident. Pitch: 2.5mm up to 7.62mm, Pole sizes: 2P up to 24P. Feed through terminal blocks, connecting with two conductors easily and credibility, Provide the wire size from 0.5mm² to 16mm², Available with different pitches from 8.2mm to 14.5mm, Available for with fuse and without fuse. Barrier terminal blocks, connecting easily, provide the size from 0.5mm² to 50 mm², Available with different pitches from 6.35mm to 27.0mm, with cover and without cover. The product is designed in accordance with IEC 60998, IEC 60947, UL1059, CSA C22.2 NO.158 standards.











Reviews
There are no reviews yet.